powerflex 70 wiring diagram

Powerflex 70 Wiring Diagram - Wiring Diagram. 9 Images about Powerflex 70 Wiring Diagram - Wiring Diagram : Variador power flex, Wiring Diagram Internal Powerflex 700 - Wiring Diagram Schemas and also Allen Bradley Vfd Powerflex 753 Wiring Diagram - Wiring Diagram.

Powerflex 70 Wiring Diagram - Wiring Diagram

Powerflex 70 Wiring Diagram - Wiring Diagram wiring121.blogspot.com

powerflex

Allen Bradley Vfd Powerflex 753 Wiring Diagram - Wiring Diagram

Allen Bradley Vfd Powerflex 753 Wiring Diagram - Wiring Diagram wiringdiagram.2bitboer.com

diagram powerflex vfd schematic 755

AC Drive VFD - Allen Bradley Powerflex 4M

AC Drive VFD - Allen Bradley Powerflex 4M www.slideshare.net

powerflex bradley vfd

Variador Power Flex

Variador power flex es.slideshare.net

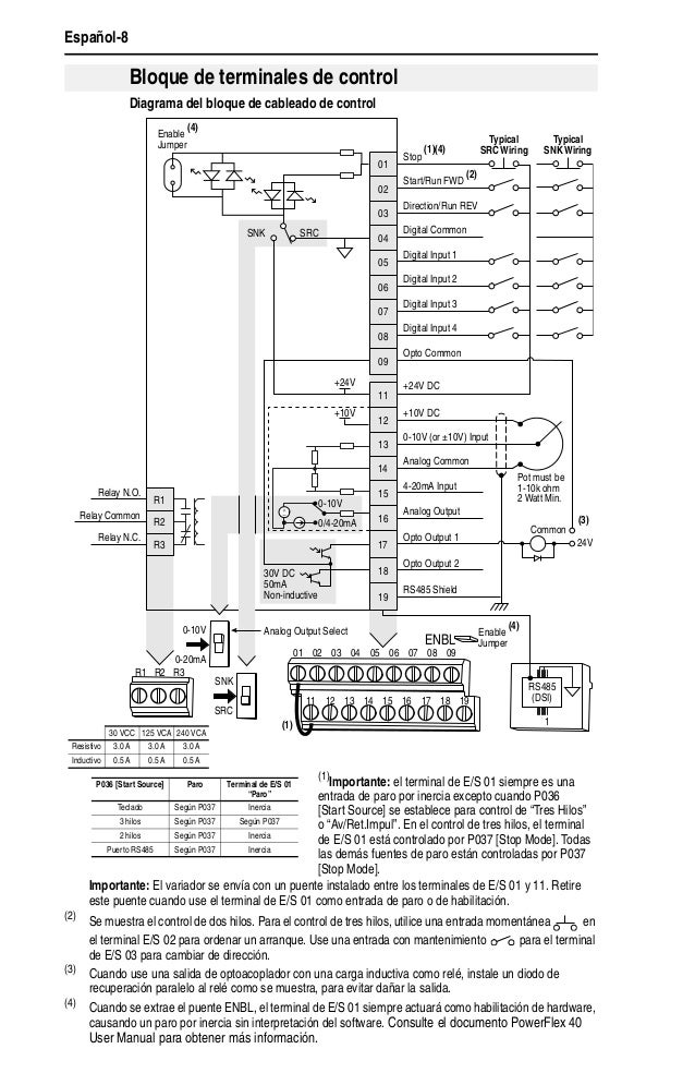
variador powerflex cableado bloque terminales

Powerflex 523 Control I/o Terminal Block, Powerflex 523 Control I/o

Powerflex 523 control i/o terminal block, Powerflex 523 control i/o www.manualsdir.com

powerflex wiring diagram ac bradley allen rockwell drive manual frequency adjustable wire user series 25b automation control terminal drives pwm

Powerflex 70 Wiring Diagram - Wiring Diagram

Powerflex 70 Wiring Diagram - Wiring Diagram wiring121.blogspot.com

powerflex

Allen Bradley Vfd Powerflex 753 Wiring Diagram - Wiring Diagram

Allen Bradley Vfd Powerflex 753 Wiring Diagram - Wiring Diagram wiringdiagram.2bitboer.com

powerflex allen vfd

Wiring Diagram Internal Powerflex 700 - Wiring Diagram Schemas

Wiring Diagram Internal Powerflex 700 - Wiring Diagram Schemas wiringschemas.blogspot.com

powerflex diagram

Allen Bradley 700 Relay Wiring Diagram - Hanenhuusholli

Allen Bradley 700 Relay Wiring Diagram - Hanenhuusholli hanenhuusholli.blogspot.com

allen breadley

Powerflex 523 control i/o terminal block, powerflex 523 control i/o. Allen bradley vfd powerflex 753 wiring diagram. Allen bradley vfd powerflex 753 wiring diagram